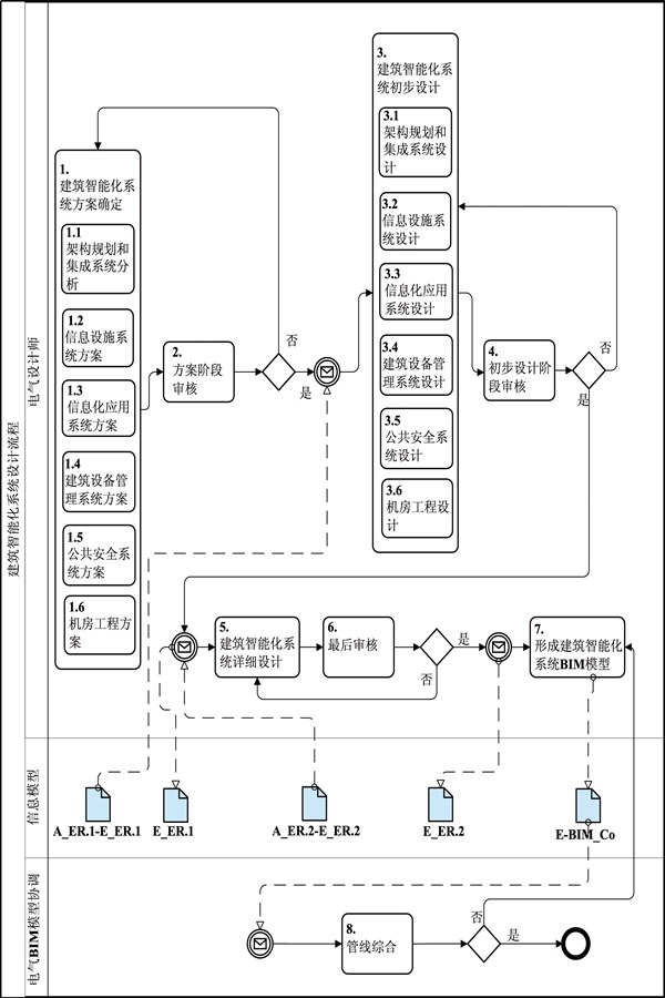
電氣設計可以分為強電設計和弱電設計,樓宇自動化設計屬于弱電設計的一部分。樓宇自動化系統主要包括架構規劃和集成系統,信息設施系統、信息化應用系統、建筑設備管理系統、公共安全系統和機房工程。
基于BIM的樓宇自動化設計流程分為系統方案確定、方案階段審核、系統初步設計、初步設計階段審核、系統詳細設計、最后審核,整個樓宇自動化BIM模型創建完成后,需要進行管道綜合,也就是要對模型進行碰撞檢查,檢查不同構件之間是否發生沖突。
其流程圖如圖所示,流程圖中“信息模型”一欄每個有陰影的部分都是一個交換需求,初步設計階段的交換需求表示為“E_ER.1”,詳細設計階段的交換需求表示為“E_ER.2”,在進行樓宇自動化初步設計之前要接收建筑專業的初步設計模型,此時交換需求表示為“A_ER.1-E_ER.1”,在進行樓宇自動化詳細設計之前要接收建筑專業的詳細設計模型,此時交換需求表示為“A_ER.2-E_ER.2”,樓宇自動化BIM模型協調直接表示為“E-BIM_Co”,Co為Coordinate(協調)。
